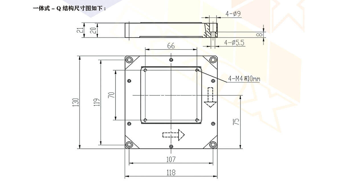
首页 > 纳米级高精度压电陶瓷位移器 >

二维纳米定位平台
产品特性:
高速响应;压电陶瓷驱动;
较高的重复定位精度;
纳米级位移分辨率;
机体材料分铝合金和钛合金;
具有开环和闭环两种;
采用数控、线切割等加工工艺,严格保证构结精度;
采用计算机有限元仿真分析等现代设计方法设计微动结构;
采用先进的表面处理工艺,提高了适应不同工作环境的能力。
发布时间:2023-12-12
浏览量:168


选型说明:
例如:RB210SK
R | B | 2 | 10 | S | K |
| 公司名称 | 产品系列 | 输出维数 2维 X轴 Y轴 | 最大行程 单位(μm) | 闭环选择 开环无 | K:分体组合型 Q:一体式结构 |
材质:超硬铝合金
闭环:含反馈传感器输出线

推荐产品


