
光纤转轴调节台 Rzt1270-s
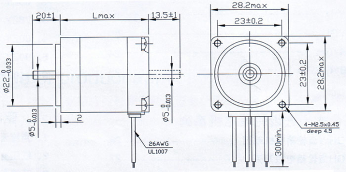
产品编号:28BYG3401
■ 步距精度(Step Accuracy) ±5%
■ 温 升(Temperature Rise) 75℃ Max
■ 环境温度(Ambient Temperature Range) -45℃~+105℃
■ 绝缘等级(Insulation Class) B
■ 绝缘电阻(Insulation Resistance) 500VDC 100MΩ Min
■ 绝缘强度(Dielectric Strength) 500VAC 50Hz 1Ma Minute
■ 径向跳动(radial runout) 0.02mmMax(450g 负载)
■ 轴向间隙(axial clearance) 0.08mmMax(450g 负载)
发布时间:2023-12-15
浏览量:162


推荐产品


